5월, 2023의 게시물 표시

Chemical Composition of Smoke

Q(Lab) :  I'm looking for information on what the combustion products are for each type of combustible, can you help me? A(ChatGPT) :  Sure, I can help you with that. However, the combustion products depend on the type of combustible being burned. Here are the common types of combustibles and their combustion products: Hydrocarbons (such as natural gas, propane, gasoline, and diesel fuel) - The combustion products of hydrocarbons are water vapor (H2O) and carbon dioxide (CO2), along with other gases such as carbon monoxide (CO) and nitrogen oxides (NOx) that are produced depending on the combustion conditions. Biomass (such as wood, charcoal, and agricultural waste) - The combustion products of biomass are primarily water vapor (H2O), carbon dioxide (CO2), carbon monoxide (CO), and small amounts of other gases like nitrogen oxides (NOx) and sulfur dioxide (SO2). Coal - The combustion products of coal depend on the type of coal being burned, as well as the combustion conditions...

Temperature Prediction and Pressurization Design for Vertical Shaft

​ Predict vertical shaft temperature just before a fire starts * Vertical shaft temperature variable - Weather factors: ambient temperature, wind, sun position - Architectural factors: location of the vertical shaft in the building (center, edge), leakage characteristics of the vertical shaft, insulation characteristics of the building - Thermal factors: outside air entering the building, heating load, cooling load, people, thermo-equipments * Vertical shaft temperature prediction method - Option 1: Using EnergyPlus program, https://blog.naver.com/hbscd/222929116510 - Option 2: Reflect the contents of EN 12101-13 (2022), clause 8.2.2 in the domestic TAB procedure --> Reflect the temperature of buildings of similar use and scale Prediction of temperature according to pressurization of vertical shaft after fire * Vertical wind temperature variable - Weather factors: outside air temperature, wind, sun position - Architectural factors: location of the vertical sh...

Set weather conditions (Ambient temperature, barometric pressure, wind)

  A. Long-term worst case Ambient conditions (a compromise between 25 years of weather and the most recent weather data) :  See Handbook of smoke control engineering (2012), p.94 or ASHRAE Handbook Fundamentals Table 2.1 & 2.2 B. Yearly Weather and 1/10/20/50 Year Worst Temperature :  ASHRAE climatic design conditions 2009/2013/2017/2021 (ashrae-meteo.info) C. HR(Humidity Ratio) to RH(Relative Humidity) :  meteorology - How do I convert specific humidity to relative humidity? - Earth Science Stack Exchange D. Weather in the past :  https://www.timeanddate.com/weather/@1838532/historic * Back to Main Procedures :  General COMTAM Simulation Procedure for Pressure differential system(Mainly High-rise building) (contamsmulationlab.blogspot.com)

Understanding Fans

이미지
 Flow rate (Flow rate = flow rate of liquid and gas, air volume = flow rate of gas)  * Type of flow rate (air volume): Mass flow rate (kg/sec), Volume flow rate (㎥/sec), Mass flow rate = density x volume flow rate. * Type of flow load (Figure 1, Source- https://www.nationalpolyindustries.com.au/2018/06/14/understanding-water-pump-rated-maximum-and-normal-flow-rates/ )     - Maximum flow rate: The maximum flow rate that can be conveyed without connecting a duct system to the fluid machine.      - Rated flow rate: Flow rate considered in design for fluid machine selection (design maximum load flow rate) --> Specific altitude, maximum airflow condition (maximum door opening condition in case of fire)      - Normal flow rate: The flow rate that the fluid machine is expected to operate for the longest period of time --> Specific altitude, normal flow condition (All doors closed in case of fire?)  Fans * Fan = a machine that transpo...

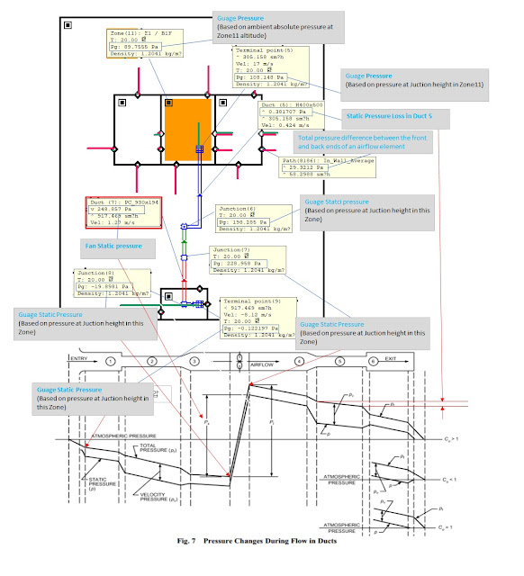
Precise meanings of elemental pressures in CONTAM

이미지
* Static pressure(Ps) : pressure caused by a greater or lesser number of gases per unit volume. * Dynamic pressure(Pd) : Pressure caused by the density and velocity of the gas. * Total pressure(Pt) : Static pressure + dynamic pressure * Static pressure differen ce( △Ps)  : Ps2 - Ps1 * Total pressure difference( △Pt)  : Pt2 -Pt1 * Back to Main Procedures :  General COMTAM Simulation Procedure for Pressure differential system(Mainly High-rise building) (contamsmulationlab.blogspot.com)

Electricity and Fluids (CONTAM Elementalization of Dampers)

이미지
1. Electrical   - V=IR   - R=ρL/A 2. Fluid   - Q=vA   - △P=ζ × Pd=ζ × 0.5ρv^2=ζ × 0.5ρ(Q/A)^2=(ζρ/A^2) × Q^2   - △P=R'Q^2 (R'=ζρ/A^2) 3. Electricity and fluids   - △P=R'Q^2   - V=IR   - V ≒ △P   - I ≒ Q^2   - R(ρL/A)≒ R'(ζρ/A^2) 4. CONTAM elementrization of the damper   - R' = ζρ/A^2     - Real: A=variable, ζ=variable   - CONTAM : Based on the performance test results (Q, △P, R') and full open cross-sectional area (A) of a specific damper --> Extract the maximum and minimum values of Terminal loss coefficient (ζ) to apply to the CONTAM program of a specific damper. * Back to Main Procedures :  General COMTAM Simulation Procedure for Pressure differential system(Mainly High-rise building) (contamsmulationlab.blogspot.com)

The 3 Principles of Flame Retardant Leakage (Leakage Laws)

이미지
  1. Leakage ratio of major leakage elements Floor:Wall:Window area with leakage gap area equivalent to one fire door (Single Door) ≈ 450:150:50   - Floor-Average concrete floor area of a fire safety standard fire door = about 450m^2   - Wall-Average area of fire safety standard fire door = approx. 150m^2   - Fire safety standard equivalent window (grade 3) area = about 50m^2 (KS fire door equivalent window area = about 30m^2) 2. Leakage path - Basement floor   - Ground floor 3. The 3 Main Principles of  Leak elements of  Smoke control system  - Principle 1 (Volume flow rate Principle): The air volume of a supply air pressure fire extinguishing system is governed by the number of floors open to fire, the size of the door, and the sum of the leakage area of the smallest leakage element and the parallel leakage elements on the leakage path of each floor.    - Principle 2 (Differential Pressure Principle): The differential pressure of a spe...

Graphical User Interface and Status bar

이미지
 1.  Graphical User Interface Commentary 2. Status Bar The status bar, shown in the following figure, is the area that appears below SketchPad at the bottom of the main window. This area is divided into three separate panes that display different information depending on the current mode of SketchPad. ContW 2.4 now provides a more convenient means of reviewing icon information by providing a status bar that appears in the caret (the blinking square in SketchPad when working with ContamW) area whenever you select a particular icon on the screen. This is similar to the tooltip that appears when you hover over a toolbar button with the Windows cursor. This feature can be turned on and off via View → Floating Status Bar or Ctrl+Ttooltip. Left window This pane always displays the type and number of building component icons, such as zones, routes, air conditioning systems, etc. In Normal mode, the leftmost pane displays summary information for the currently highlighted cell or icon...

Preliminary Decisions for Configuring a CONTAM Simulation Scenarios

Decision 1 - Determine the purpose of the simulation and the code to be applied Decision 2  - Determination of the conditions just before the fire - Ambient temperature/atmospheric pressure conditions - Determine the temperature conditions of the building's interior compartments (just before the fire) - Outside wind conditions - Select fire floor/occurrence zones and set fire floor conditions - NFPA Fire Scenarios and Toxicants - Evacuee conditions: evacuee density, age (to calculate evacuation start and finish times) Decision 3  - Determine facilities operating conditions Decision 4  - Determine whether sprinklers are operating normally or not Decision 5  - Determine whether or not to simulate the passage of time(Steady state or Transient) Decision 6  - Determine the leakage volume flow rate of airflow paths Decision 7  -Determine the maximum allowable differential pressure design criteria for doors along the evacuation route Decision 8  -Determine th...

Analysis on the Function of Elevator shaft Vents

In the bellow conversation with ChatGPT, I made the following judgment. I'd love to hear your thoughts on my judgment! 1. NFPA 92 appears to be based on the immediate opening of elevator vents in the event of a fire. 2. The only real-world application of elevator vents appears to be on rooftops.      Elevator shaft smoke and heat extraction system | CWS 3. In the event of a fire in the upper floors of a building in the summer, the elevator shaft on the roof will open (the neutral zone will be at the top of the building), and if the elevator shaft is not pressurized, and the temperature of the smoke leaking from the fire chamber is not much higher than the temperature inside the building, it can play a role in propagating smoke throughout the lower floors of the building.  However, this does not appear to have been discussed in depth in the U.S. industry.  Therefore, without empirical verification that this is not a problem, it is unlikely that open vents on...

Understanding the Stack Effect

이미지
  1. Understanding the Stack Effect - Water tank 2. understanding the stack effect - chimneys 3. Understanding the Stack Effect - Architecture - Hydrodynamic building = a structure consisting of several round balloons and long balloons connected to their neighbors by large and small gaps.  - Factors of the stack effect: 1. 2 compartments connected by gaps, having a height, and aligned in parallel, 2. Density difference (air and waㄱter at the same temperature, air at a different temperature)  -Eliminate the stack effect: eliminate the gaps or eliminate the height or eliminate the density difference 4. Definitions of Bouyancy and Stack Effect Definition of Bouyancy - The force by which a fluid overcomes the gravitational pull of an object immersed in that fluid and pushes the object upward.  - Buoyancy = the force caused by the pressure difference on the top surface of an object - the object's gravity  - Pressure difference acting on the top surface of the object ...

Understanding the three CONTAM simulation methods of smoke control systems

1. General manual simulation Building structure design   Duct element design and various loss coefficient setting  Constant volume model applied to supply fan & performance curve model applied to exhaust fan   Simulation by senarios[STP, Minimum ambient temp.(Midwinter), Maximum wind velocity ambient temp., Maximum ambient temp.(Midsummer)]  Validate   Finalize fan specification   Create report 2. Enhanced manual simulation  Simulation by applying performance curve model to supply fan from 'General manual simulation' results  3.Automation simulation  Apply control functions to automation equipments(Smoke control damper, Fan volume flow rate control damper, etc) and perform 'Enhanced manual simulation'  * Back to Main Procedures :  General COMTAM Simulation Procedure for Pressure differential system(Mainly High-rise building) (contamsmulationlab.blogspot.com)

Understanding Fan/Me, Air Volume/Pressure, and Gas Particles

1. Workers and Engineers   - Worker: A person who understands the text    - Engineers: Those who understand the text, can image what they understand (e.g., can imagine the behavior of gas particles), and can systematize it. 2. Gas particle concepts that help conceptual understanding in the field of smoke control   - One gas particle of any type has the same volume at the same temperature (at the same temperature, 1 volume of CO2 = 1 volume of H2O).   - The mass of a gas particle is proportional to the total atomic weight of the atoms that make up the particle (H2O =18, CO2 = 44).   - The volume of a gas particle is proportional to its temperature (increase in temperature --> increase in volume of one gas particle, mass remains the same).   - When the temperature of a particular compartment with a leakage gap decreases, the volume of one gas particle decreases, the number of gas particles in the compartment increases, and the density increases. 3. St...

Understanding CONTAM Programs and Simulations

1. Introduction * The CONTAM program is free software from the National Institute of Standards and Technology (NIST) and is widely used worldwide. * A design approach that allows individual mathematical expressions for virtually all leakage factors (air volume, pressure, area, loss coefficient, density as variables) to interact with their neighbors and each other, and to predict, for a variety of scenarios, zonal pressure, flow air volume, and contaminant spread, through hundreds to tens of thousands of iterative calculations. 2. Design deliverables * Fan specification: Fan air volume/wind pressure, duct system size, etc. are usually obtained as a result. * Airflow/pressure characteristics of each zone and leakage elements: Detailed data such as pressure and flow rate of individual zones and individual leakage elements (walls, floors, doors, ducts, etc.) inside and outside the building are obtained as results. 3. Determinants of reliability of results * Designers need to have a high le...